LP3717系列芯片通过创新的自供电技术和高度集成的系统架构,实现了隔离型适配器/充电器设计方案的极简化。该系列覆盖12W至18W功率范围,集成750V高压BJT,采用原边反?。≒SR)控制技术,将传统反激方案的外围元件数量降至行业新低。本文将从产品定位、版本选型、系统架构、电气特性到工程实践,全面解析LP3717系列的技术特点与应用要点。
| 传统PSR方案 | LP3717方案 | 技术优势 |
|---|---|---|
| 需外置启动电阻 | 内置高压启动电路 | 省去2-3颗电阻,降低待机功耗 |
| 辅助绕组VCC供电需二极管 | 自供电技术 | 取消VCC供电二极管,简化变压器设计 |
| 固定峰值电流 | 外置电阻可编程 | 灵活适配不同功率等级 |
| 固定线损补偿 | 可调输出线损补偿 | 通过FB分压电阻精确调节补偿量 |
| 外置功率管 | 内置750V BJT | 减少驱动电路,提升可靠性 |
LP3717系列提供五种细分型号,主要差异体现在封装形式、输入电压范围、退磁比例和功率等级四个维度。
| 定购型号 | 封装 | 功率规格 | 输入电压范围 | 退磁比例 | 典型应用 |
|---|---|---|---|---|---|
| LP3717ASH | SOP7L | 12W (12V/1.0A) | 100Vac~265Vac | 50% | 标准12W适配器 |
| LP3717BSH | SOP8L | 12W (12V/1.0A) | 100Vac~265Vac | 50% | 需要更好散热的12W方案 |
| LP3717BTH | SOP8L | 12W (12V/1.0A) | 90Vac~265Vac | 50% | 低压输入地区(如日本100V) |
| LP3717BST | SOP8L | 12W (5V/2.4A) / 15W (5V/3.0A@176Vac~) | 100Vac~265Vac | 60% | 5V大电流快充 |
| LP3717BTT | SOP8L | 15W (5V/3.0A) / 18W (12V/1.5A) | 100Vac~265Vac | 60% | 高功率密 |
选型要点:
LP3717提供两种封装选择,管脚功能略有差异:

关键设计提示: SOP8L封装将C引脚扩展至4个,大幅增加了芯片散热能力,这也是BST/BTT能够支持更高功率(15W-18W)的物理基础。
LP3717的典型应用电路展现了其"极简化"的设计哲学:

外围元件清单(极简配置):
总计:核心外围仅约10颗元件,相比传统方案减少30%-40%。
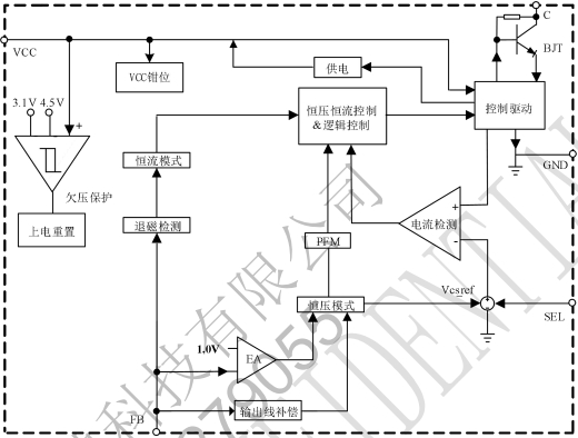
LP3717的内部结构框图揭示了其自供电与恒压恒流控制的实现机制:

| 参数 | 符号 | 最小值 | 典型值 | 最大值 | 单位 | 说明 |
|---|---|---|---|---|---|---|
| VCC启动电压 | VCC_ST | 3.5 | 4.3 | 5.1 | V | 芯片启动阈值 |
| VCC钳位电压 | VCC_CLAMP | 5.12 | 5.40 | 5.68 | V | 过压?;さ?/td> |
| VCC欠压?;?/td> | VCC_UVLO | 2.7 | 3.0 | 3.3 | V | 掉电重启阈值 |
| 启动电流 | IST | 0.1 | 1 | 4 | μA | 极低待机功耗 |
| 工作电流 | ICC1 | 100 | 220 | 350 | μA | 正常运行消耗 |
| 型号 | 退磁比例RTDEM | IOUT_DEM(典型) | 恒流计算公式 |
|---|---|---|---|
| ASH/BSH/BTH | 50% | 390mA | IOUT = ? × IPKMAX × (NP/NS) × k |
| BST/BTT | 60% | 465mA | (k为漏感系数,0.90-0.95) |
设计实例: 对于LP3717BTT设计5V/3A输出:
SEL脚外接电阻RSEL可灵活设置最大峰值电流:
LP3717系列代表了隔离型小功率电源设计的"极简主义"方向。通过自供电技术、内置高压BJT、可编程峰值电流和可调线损补偿等创新,对于电源工程师而言,LP3717不仅是一颗IC,更是一种设计范式的转变。深圳三佛科技为芯茂微一级代理提供技术支持,批量价格有优势~