在当今快充技术快速发展的时代,电源芯片作为充电器的核心部件,其性能和效率直接影响到整个充电系统的品质与用户体验。对于功率在20W以上的隔离型快充应用,芯片需要在复杂的工况下实现高效率、高可靠性和高集成度的平衡。芯茂微推出的LP8718B/C系列芯片,凭借其独特的设计理念和卓越的性能,成为市场上备受关注的解决方案。本文将深入剖析LP8718B/C芯片的核心技术与应用优势,探讨其如何在激烈的市场竞争中脱颖而出,成为20W以上快充应用的理想选择。
芯片简介
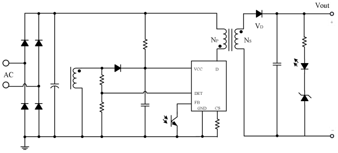
把 LP8718 的系统框图抽象成三条信号链,就能秒懂它的工作逻辑:
功率链:整流→变压器→同步整流→USB-C。
采样链:DET 脚“一箭三雕”——退磁检测、母线欠压、输出过压;CS 脚做峰值电流;FB 脚收光耦。
控制链:65 kHz 峰值电流模式 + 频率折返 + 打嗝 + 抖频,全部自运行,无需次级任何通讯。

三条链交汇于“恒功率/恒流比较器”,芯片根据 DET 推算出的输出电压实时改写电流基准 VREF_CCP,从而把传统“固定电流墙”做成“斜率功率墙”——这就是 CP 模式的精髓。
25 W 比 20 W 多 5 W 的秘密
LP8718B 与 C 同宗同源,却有两处“暗藏”差异:
| 维度 | LP8718B | LP8718C |
|---|
| 内置 MOSFET RDS(on) | 2.0 Ω | 1.3 Ω |
| 推荐功率 | 20 W | 25 W |
| 效率 @230 VAC/20 W | ≈88 % | ≈90.5 % |
| 温升 @25 W 密闭壳 | 超标 | 62 ℃ 余量 8 ℃ |
结论:C 版把芯片自身损耗降低约 0.8 W,靠“低阻管”硬吃 5 W 增量,无须额外散热片,正是“多 5 W”的底层物理。
三模工作“无缝切换”实测
用电子负载拉出 I-V 曲线,可以清晰看到三段特性:
CV 区(0→1.8 A):输出 12 V 纹波 35 mV,频率 65 kHz 满载,22 kHz 轻载,打嗝模式 1 V/1.1 V 窗口。
CP 区(1.8→3.3 A):电压从 12 V 滑到 6.7 V,功率恒定在 22 W±3 %;此时 VREF_CCP 由 0.277 V 线性爬升到 0.154 V,芯片“自动降电压、补电流”。
CC 区(3.3→3.6 A):电压 6.7 V→3.6 V,电流被钳位在 3.6 A;低于 3.6 V 触发 Hiccup,高于 15 V 触发 OVP。
全程切换无回退、无震荡,负载端看不到 100 mV 以上的毛刺,手机 PD 协议芯片不重启、不闪屏。
六项“黑科技”拆解
DET 脚“一箭三雕”
退磁检测 + 母线欠压 + 输出 OVP,省掉传统三次侧采样网络,BOM 省 6 颗电阻。
频率抖动 2 ms/±7 %
把 65 kHz 能量“抹”成 8 kHz 带宽,传导 EMI 峰值降低 6 dB,轻松过 CISPR22 B 级。
智能斜坡补偿
内置 52 mV/μs 斜率,占空比>50 % 仍能抑制次谐波振荡,允许使用 1:2.5 小匝比变压器,磁芯体积降一档。
双阈值打嗝
1.0 V 进入、1.1 V 退出,空载功耗 <75 mW,230 VAC 插拔无火花,满足 CoC V5 Tier-2。
软启动 9 ms 阶梯爬坡
逐周期抬高 VCS_MAX,抑制变压器饱和,次级 SR 管电压应力降低 20 %。
全能?;ぞ卣?/strong>
11 项故障检测全部“自恢复”,省去传统保险丝和 NTC,降低售后返修率。

实战:25 W PD 参考设计
输入:90-264 VAC,45-440 Hz
输出:5 V3 A / 9 V2.78 A / 12 V2.08 A / 15 V1.67 A / 20 V1.25 A(PPS 20 mV/50 mA 步进)
关键器件:
变压器:EE16W(PC40 材质),Np:Ns:Na = 26:6:8,Lp 450 μH
SR:MP6908(100 V/10 mΩ)
次级滤波:680 μF/16 V ×2(固态)
启动电阻:1.5 MΩ/0.25 W,待机功耗 38 mW
散热:无散热片,利用 1 oz 铜皮 + 漏极铺铜 120 mm2,25 ℃ 环温下芯片温升 62 ℃
实测结果:
容易被忽视的五个“坑”
DET 分压电阻温漂:高阻值 1 M 以上必须使用 1 %精度、100 ppm/℃ 温漂,否则 CP 功率墙随温度漂移 8 %。
CS 电阻走线:采样脚到电阻的 Kelvin 线 <10 mm,且远离 650 V 动点,否则 30 mV 短路?;の蟠シⅰ?/div>
VCC 电容选型:必须是 X7R 或薄膜,22 μF 以上;Y5V 材质在 -20 ℃ 容量衰减 60 %,导致启动失败。
变压器漏感:漏感>3 % 时,VCC 过压尖峰可达 70 V,须用 RCD 吸收 + 齐纳钳位,否则触发 60 V VCC_OVP。
铺铜散热:ASOP6 底部无散热焊盘,D 脚铺铜面积每增加 50 mm2,结温下降 7 ℃;但过大寄生电容会拖慢 Drain 上升沿,折中 120 mm2 最佳。
写在最后
LP8718B/C系列芯片凭借其创新的三模合一设计、高效的功率管理以及强大的?;すδ?,为20W以上快充应用提供了一种高效、可靠且极具性价比的解决方案。在追求高效率与小体积的现代快充市场中,LP8718B/C不仅满足了技术要求,更通过简化设计和优化性能,为工程师带来了极大的便利。深圳三佛科技提供技术支持,批量价格有优势~