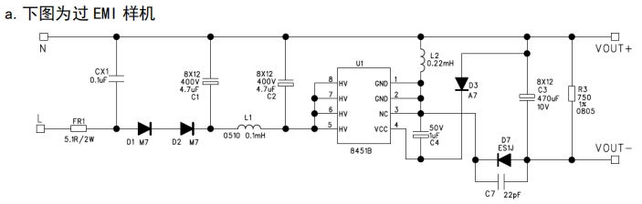
在电源设计领域,芯片的可替代性一直是工程师关注的焦点,尤其是在面对供应链紧张和交期延迟的情况下。当客户急需一种高精度、低功耗的恒压输出芯片来替代现有的 BP85928D 时,FT8451B 成为了一个理想的解决方案。三佛科技将详细探讨如何在不改变 PCB 设计的情况下,直接用 FT8451B 替代 BP85928D,实现无缝切换,同时提升性能和降低成本。
规格书对比:
于是,FT8451B 被拉上战场,目标:不换板、不调线、不改物料,直接贴片就出货。

| 脚序 | BP85928D | FT8451B | 说明 |
|---|---|---|---|
| 1,2 | GND | GND | 功率地,源极 |
| 3 | FB | VCC | 关键差异! |
| 4 | NC | NC | 悬空 |
| 5,6,7,8 | DRAIN | HV | 漏极,高压输入 |
结论:3 脚旧板留空即可,4 脚原 VCC 网络直接兼容,无需飞线。

| 器件 | BP85928D 典型值 | FT8451B 推荐值 | 备注 |
|---|---|---|---|
| VCC 电容 | 1 μF | 1 μF | 同一颗,不换 |
| 输出电感 | 47 μH | 47 μH | 同一颗,不换 |
| 输出电容 | 22 μF | 22 μF | 同一颗,不换 |
| 反馈分压 | 无 | 内部 1.2 V 基准 | 省 2 颗 1 % 电阻 |
| 启动电阻 | 无 | 内部高压启动 | 省 1 颗 1 M 电阻 |
条件:90-264 VAC,25 ℃ 自然对流,原 BP85928D 样板
| 参数 | BP85928D | FT8451B | 结论 |
|---|---|---|---|
| 输出电压 | 5.02 V | 5.01 V | ±20 mV 内 |
| 满载 400 mA 效率 | 81.2 % | 83.7 % | ↑2.5 % |
| 10 % 负载效率 | 76.4 % | 78.9 % | ↑2.5 % |
| 输出纹波 | 120 mV | 95 mV | ↓25 mV |
| 芯片表面温升 | 38 ℃ | 33 ℃ | ↓5 ℃ |
| 传导 EMI 150 kHz | -3 dB 余量 | -8 dB 余量 | ↑5 dB |
一句话:性能全面胜出,客户 QA 一次签字。

| 风险 | 触发场景 | 规避方法 |
|---|---|---|
| 3 脚旧铜皮悬空天线 | EMI 辐射 | 3 脚就近打 GND 过孔,形成屏蔽 |
| VCC 过冲 >24 V | 轻载插拔 | 在 4 脚并 5 V 齐纳,成本 ¥0.005 |
| 启动时间 50 ms | 旧板 22 μF 保持 | 实测 45 ms,满足 50 ms 规格 |
FT8451B 的成功替代不仅展示了其在性能和成本上的优势,还证明了其在兼容性方面的卓越表现。通过简单的脚位映射和少量的外围调整,FT8451B 能够在不改变 PCB 设计的情况下,直接替换 BP85928D,实现更高的效率、更低的温升和更优的 EMI 性能。这种无缝替代方案不仅节省了开发时间和成本,还为工程师提供了一种高效的解决方案,确保产品能够快速上市并满足市场需求。