在当今电子设备日益追求高效能、低功耗以及小型化的趋势下,电源管理芯片的设计也面临着更高的要求。LPK8727作为一款12W极简化的自供电原边反馈控制芯片,以其高度集成化、外围设计简单以及出色的性能表现,成为了众多电源设计工程师的理想选择。本文将深入探讨LPK8727芯片的技术规格、典型应用以及设计要点,为相关领域的工程师提供详尽的参考。
LPK8727一款高度集成的隔离型适配器和充电器的自供电原边反馈控制芯片。该芯片专为12W以下的隔离方案设计,外围电路极其简单,极大地简化了系统设计,降低了成本。LPK8727通过外置电阻可调节原边峰值电流,并通过变压器原副边匝比来设置输出恒流点。此外,通过设定反馈引脚(FB)上的偏置电阻,可以精确设置输出恒压点。

集成BJT:适用于12W以下的隔离方案。
内置启动电路:无需外部启动电阻,简化了启动过程。
自供电技术:取消了辅助绕组VCC供电二极管,进一步降低了系统成本。
可调峰值电流:通过外置电阻调节峰值电流,提供了灵活的设计选项。
极低待机功耗:有效降低了系统在待机状态下的能耗。
专利电流驱动技术:降低了温升,提高了系统稳定性。
输出线损补偿技术:通过设定FB外置上偏电阻的值来调节输出线缆补偿值,提高了输出电压的精度。
全面的?;すδ埽喊╒CC钳位/欠压?;?、FB脚上电阻开路?;ぁ⑹涑龆搪繁;ぁ⑹涑龉贡;ひ约肮卤;さ取?br/>
电源电压(VCC):-0.3V至6.5V。
反馈电压输入端(FB):-0.3V至6.5V。
峰值电流选择脚(SEL):-0.3V至6.5V。
最大功耗(DMAX):0.45W。
PN结到环境的热阻(θJA):120℃/W。
PN结到管壳的热阻(θJC):40℃/W。
工作结温范围(TJ):-40℃至150℃。
储存温度范围(TSTG):-55℃至150℃。
ESD?;ぃ?KV(人体模型)。
LPK8727采用SOP8L封装,具有良好的散热性能和紧凑的尺寸,适合各种紧凑型电源设计。

LPK8727特别适用于各种适配器和充电器应用,能够提供稳定的输出电压和电流,确保设备在充电过程中的安全性和可靠性。其内置的多种保护功能,如输出短路保护和过压?;ぃ芄挥行Х乐挂蛞斐G榭龅贾碌纳璞杆鸹?。
在LED驱动电源中,LPK8727能够提供精确的恒流控制,确保LED在不同工作条件下都能保持稳定的亮度。其输出线损补偿技术能够有效补偿输出电流在输出线上的损耗压降,提高系统的整体效率。
LPK8727可以作为线性电源和RCC开关电源的升级换代产品,提供更高的效率和更好的性能。其自供电技术和内置启动电路能够简化设计,降低系统成本。
LPK8727还适用于各种辅助电源应用,如小型电子设备的备用电源等。其低待机功耗和全面的?;すδ苁蛊涑晌硐氲牡缭垂芾斫饩龇桨?。
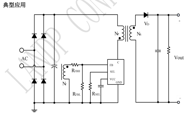
LPK8727典型应用图如下:

LPK8727仅需1uA的启动电流。系统上电后,通过内部启动电路给Vcc的电容充电,当Vcc电压达到芯片开启阈值时,芯片内部控制电路开始工作。系统启动后,Vcc由内部专有的供电电路进行供电。
SEL脚外接电阻RSEL,可调最大峰值电流IPKMAX。公式如下:
建议RSEL>15K。
LPK8727逐周期检测电感的峰值电流,当原边电感中的实时电流大于芯片设定的最大峰值电流IPKMAX时,功率管关断。输出电流IOUT的计算公式如下:
其中,TDEM为退磁时间,TSW为开关周期,ISPKMAX为次级峰值电流,IPKMAX为初级峰值电流,NP为变压器初级匝数,NS为变压器次级匝数。
LPK8727通过电阻采样反激电压,电阻分压后得到的电压与内部基准比较形成闭环后,来恒定输出电压Vout。轻载输出电压计算公式如下:

带载输出电压计算公式如下:

其中,RFBH是FB外接的上偏电阻,RFBL是FB外接的下偏电阻,ICOMP_LINE是满载经过FB上偏电阻的输出线补偿电流,Nf是辅助绕组匝数,VFB是基准电压(典型值1.0V),VD为输出续流管压降,IO为带载电流,IOCP为输出恒流电流。
LPK8727集成了多种?;すδ?,包括:
VCC钳位/欠压?;ぃ喝繁P酒谝斐5缪固跫掳踩ぷ鳌?br/> FB脚上电阻开路?;ぃ悍乐挂蛲獠康缱韫收系贾碌南低骋斐?。
输出短路?;ぃ涸谑涑龆搪肥北;は低趁馐芩鸹?。
输出过压保护:防止输出电压过高损坏负载设备。
过温保护:在芯片温度过高时自动关闭,防止热损坏。
在设计LPK8727的PCB时,需要遵循以下指南:
VCC旁路电容:VCC的旁路电容需要紧靠芯片VCC和GND引脚。
SEL脚电阻:SEL脚的电阻需要紧靠芯片SEL和GND引脚。
FB引脚:接到FB脚的分压电阻必须靠近FB引脚,且节点要远离变压器原边绕组的动点。
功率环路的面积:减小功率环路的面积,如变压器原边绕组、功率管、母线电容的环路面积,以及变压器副边绕组、整流二极管、输出电容的环路面积,以减小EMI辐射。
C引脚:适当增加C引脚的铺铜面积以提高芯片散热。
LPK8727作为一款12W极简化的自供电原边反馈控制芯片,凭借其高度集成化、外围设计简单以及出色的性能表现,成为了众多电源设计工程师的理想选择。通过深入了解其技术规格和设计要点,工程师可以更好地将其应用于实际项目中,实现高效、稳定的电源管理解决方案。