在现代厨房电器中,电磁炉以其高效、便捷和安全的特性受到广泛欢迎。而一款优秀的电磁炉不仅需要强大的核心加热功能,还需要稳定可靠的辅助电源来支持其控制电路和其他辅助功能的正常运行。本文将详细介绍一款基于FT8443BDx芯片的18V500mA双风扇电磁炉辅助电源方案,该方案采用了Buck-Boost拓扑结构,并已通过相关认证。
FT8443BDx是一款专为小家电辅助电源设计的高性能、高精度、低成本非隔离PWM功率开关。它集成了电流模PWM控制器和高压功率开关管,能够提供稳定的高精度输出电压。该芯片的误差放大器经过优化,确保了优越的动态响应,使其在单电压输入范围内都能保持稳定的性能。

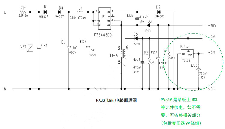
本方案专为双风扇电磁炉设计,旨在为电磁炉的控制电路和其他辅助设备提供稳定的18V电源。其输入电压范围为230Vac±15%,能够适应不同地区的电网波动。在设计过程中,我们充分考虑了效率、静态功耗、纹波等关键性能指标,力求在满足电磁炉需求的同时,实现高效率和低功耗运行。
该方案的电路原理图如下所示:

电路采用了Buck-Boost拓扑结构,这种结构能够在输入电压高于或低于输出电压的情况下正常工作,具有很强的适应性。在电路中,FT8443BDx芯片作为核心控制元件,通过调节PWM信号的占空比来控制功率开关管的导通和截止,从而实现对输出电压的稳定调节。
输入端通过整流桥将交流电压转换为直流电压,然后经过电感和电容组成的滤波电路,为芯片提供稳定的输入电压。输出端采用电容滤波,进一步降低纹波电压,确保输出电压的稳定性。此外,电路还设计了多种?;すδ?,如欠压锁定、过压保护、过温保护、过流保护和输出短路?;さ?,以提高电源的可靠性和安全性。
以下是该方案的主要物料清单:
| 物料名称 | 型号 | 数量 | 备注 |
|---|---|---|---|
| PWM功率开关 | FT8443BDx | 1 | 核心控制芯片 |
| 整流桥 | DB107 | 1 | 输入端整流 |
| 电感 | 600uH | 1 | 储能元件 |
| 输入滤波电容 | 2.2uF | 2 | 降低输入纹波 |
| 输出滤波电容 | 12uF | 2 | 降低输出纹波 |
| 高压MOS管 | 内置 | 1 | 开关元件 |
| 二极管 | 1N4007 | 2 | 续流二极管 |
| 电阻 | 10K | 若干 | 分压、限流等 |
| 电容 | 100nF | 若干 | 滤波、去耦等 |
| 变压器 | 定制 | 1 | 提供隔离和变压功能 |
| PCB | 定制 | 1 | 安装和连接所有元件 |
PCB设计对于电源的性能和稳定性至关重要。本方案采用单面板设计,元件分布合理,布线简洁明了。以下是PCB的顶面和底面布局图:

随着人们对厨房电器性能和安全性的要求不断提高,电磁炉作为一种高效、便捷的烹饪设备,市场前景广阔。而FT8443BDx芯片的18V500mA双风扇电磁炉辅助电源方案,以其高效率、低功耗、稳定可靠的特点,能够为电磁炉的控制电路和其他辅助设备提供稳定的电源支持,满足市场需求。
此外,该方案还可以应用于其他小家电辅助电源领域,如电饭煲、微波炉等,具有广泛的适用性和推广价值。