在电子设计领域,随着技术的不断进步和市场竞争的加剧,工程师们常常需要寻找性能更优、成本更低的芯片来替换原有的设计方案。SDH8312作为一款5V200mA非隔离芯片,凭借其出色的性能和兼容性,逐渐成为AP8505和PN8015的理想替代品。
| 参数/芯片 | SDH8312 | AP8505 | PN8015 |
|---|---|---|---|
| 输出电压 | 5V | 5V | 5V |
| 输出电流 | 200mA | 200mA | 200mA |
| 封装类型 | SOP-8 | SOP-8 | SOP-8 |
| 内置MOS管 | 650V | - | 800V |
| 启动方式 | 高压启动 | - | 高压启动 |
| ?;すδ?/td> | 完整 | 基本 | 基本 |
从技术参数来看,SDH8312与AP8505和PN8015在输出电压和电流上完全一致,均为5V200mA,能够满足相同的应用场景。此外,SDH8312内置650V高压启动功能,相比PN8015的800V高压启动,虽然耐压略低,但在实际应用中已经足够应对大多数小功率电源需求。同时,SDH8312还具备更完善的?;すδ埽╒DD欠压?;ぁ⒖繁;?、输出过载?;ぁ⒍搪繁;ず凸卤;さ?,能够有效提升电源系统的稳定性和可靠性。
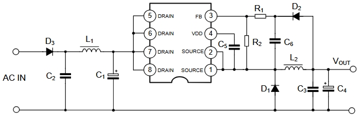
SDH8312内部框架图如下所示

SDH8312广泛适用于小功率非隔离电源场景,如家电、小型电子设备等。例如在电饭煲、风扇等设备中,SDH8312可以轻松替代AP8505和PN8015,提供稳定的5V电源输出。其内置的高压启动和自供电功能,能够实现快速启动和低待机功耗,特别适合对启动时间和功耗有严格要求的应用。
SDH8312典型应用图
