在当今电子设备日益小型化、高效化的趋势下,对于电源管理芯片的性能和成本要求也越来越高。KP3114SGA作为一款高性能、低成本的离线式PWM控制功率开关,凭借其独特的优势,成为了众多小家电电源等离线式小功率降压型应用场合的不二之选。
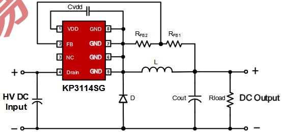
KP3114SGA是由Kiwi Instruments Corp.推出的一款专为离线式小功率降压型应用设计的PWM控制功率开关。它集成了700V高压MOSFET和高压启动电路,能够在超低压输入(>20V)的条件下稳定工作,支持反激、降压和升降压拓扑,最高开关频率可达30kHz,空载功耗低于100mW。这些特性使得KP3114SGA在满足高效能转换的同时,还能有效降低待机功耗,提升系统的整体性能。

KP3114SGA内部集成的700V高压MOSFET,不仅提高了系统的浪涌耐受能力,还简化了外围电路设计。与传统的PWM控制器相比,它无需外部时钟驱动MOSFET,系统开关频率能够根据负载变化自动调节,从而在不同工作条件下都能保持高效的能效转换。
该芯片采用了多模式PWM控制技术,这种技术可以根据实际负载情况自动调整峰值电流检测阈值,有效降低了空载时的待机功耗。同时,它还能消除系统工作中的可闻噪音,确保在各种工作环境下都能实现无异音运行,为用户提供安静的使用体验。
KP3114SGA集成了多种保护功能,包括过载保护(OLP)、逐周期电流限制(OCP)、输出过压?;ぃ∣VP)和过温保护(OTP)等。这些?;すδ懿唤瞿芄蝗繁P酒谝斐9ぷ魈跫碌陌踩院涂煽啃?,还能?;び胫嗔牡缏访馐芩鸹?,延长整个系统的使用寿命。
KP3114SGA采用SOP-8封装,这种封装形式具有体积小、散热性能好等特点,非常适合小家电电源等对空间要求较高的应用场景。此外,该芯片在保证高性能的同时,还具有低成本的优势,能够在不增加系统成本的前提下,为用户提供可靠的电源解决方案。

在小家电领域,如电饭煲、电水壶、电磁炉等设备的电源管理中,KP3114SGA的应用极为广泛。这些设备通常需要在较低的输入电压下稳定工作,并且对电源的能效和可靠性要求较高。KP3114SGA的超低压输入能力、低空载功耗以及完备的?;すδ埽蛊淠芄煌昝缆阏庑┬枨?,为小家电提供稳定可靠的电源支持。
除了小家电电源,KP3114SGA还可应用于其他需要离线式小功率降压型电源的场合,如小型电子设备的适配器、充电器等。其灵活的拓扑支持和高效的能效转换特性,能够为这些设备提供高效、稳定的电源解决方案,帮助设计工程师简化电路设计,降低成本,同时提升产品的性能和可靠性。

综上所述,KP3114SGA凭借其高性能、低成本以及丰富的功能特点,在离线式小功率降压型应用领域展现出了强大的竞争力。它不仅能够满足现代电子设备对电源管理芯片的高要求,还能为用户提供可靠、高效、经济的电源解决方案,是小家电电源等应用场合的理想选择。